GEAR Coupling
S 시리즈
특징
- 기어커플링은 전달 동력에 비하여 소형 경량이고 고속회전시에도 소음 및 진동이 거의 없습니다.
- 설치 사용할 시 커플링에 축오정렬이 다소 발생하더라도 자체조절 흡수되므로 기계부를 보호하고 강력한 힘을 전달할 수 있으며 내부윤활로 기어의 내마모성이 증대됩니다.
- 부하가 크고 고속회전으로 사용이 가능합니다.
- 슬라이딩 작동을 하며 회전하는 경우에도 사용 가능합니다.
- 축간 거리가 길어 중간 축으로 연결하여야 하는 경우에 적용이 용이합니다.
- 대형 및 특수형도 제작이 가능합니다.
Application
- 펌프, 팬, 압축기, 발전기, 크레인, 컨베이어 벨트, 교반기, 분쇄기, 건조기 등
응용형

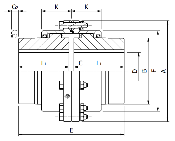
SSM
- 두개의 기어허브 적용
- 편심, 편각, 축방향 변위 오정렬보상

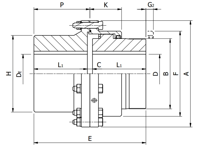
SEM
- 한 개의 기어허브 및 RIGID 허브
- 편각 및 축방향 변위 오정렬 보상

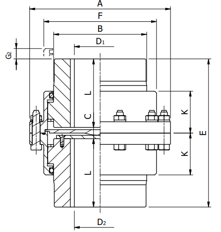
SVM
- 커플링 수직설치 대응
- 편심, 편각, 축방향 변위 오정렬보상

SAM
- 스페이서 적용
- 고객주문사양에 따라 축간거리 변경가능